网站首页
关于红宇
企业介绍
企业文化
资质荣誉
企业视频
产品中心
新闻资讯
品质保障
工艺流程
生产设备
体系证书
应用领域
人才招聘
岗位需求
在线应聘
人才理念
联系我们
EN
网站首页
>>
蝶阀
>>
水电站型自动保压液控蝶阀
搜索
名称
描述
内容
蝶阀
闸阀
球阀
截止阀
止回阀
5
关闭分类
丽水红宇阀门有限公司
产品分类
蝶阀
闸阀
球阀
截止阀
止回阀
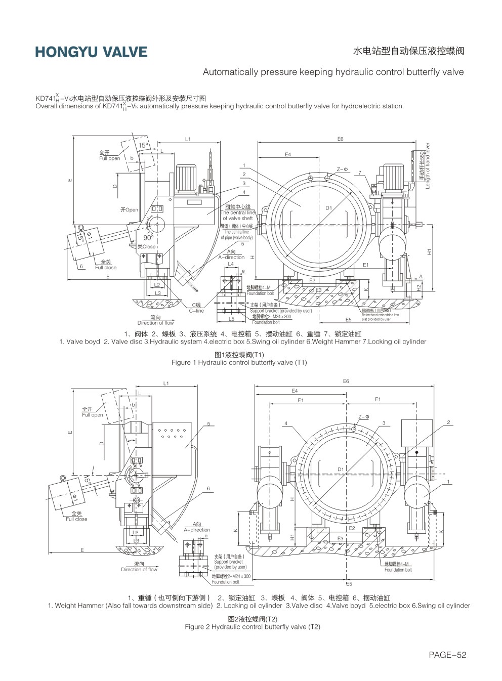
水电站型自动保压液控蝶阀
发布时间: 2018-09-15 13:43
商品信息
上一个:
法兰式通风蝶阀
下一个:
液控缓闭止回蝶阀